Siège AS 3045 tissu avec console tournante
Description:
AVEC CONSOLE TOURNANTE - SUSPENSION ULTRA BASSE FREQUENCE
Marque : Sears
Dossier :
Dossier inclinable 21° vers l'avant et 33° vers l'arrière en pas de 2.5°
Réglage lombaire mécanique
Accoudoirs réglables en hauteur
Accoudoirs rabattables
Suspension :
Console tournante 20° -20°
Réglage longitudinal des glissières 160 mm
Réglage au poids de 50 à 120 kg
Amortissement longitudinal avec blocage intégré
Amortisseur hydraulique à double effet
Suspension ultra basse fréquence 1 - 1.2Hz
Course de suspension 80 mm
Plaque d'adaptation
Homologué catégorie A classe I, II et III
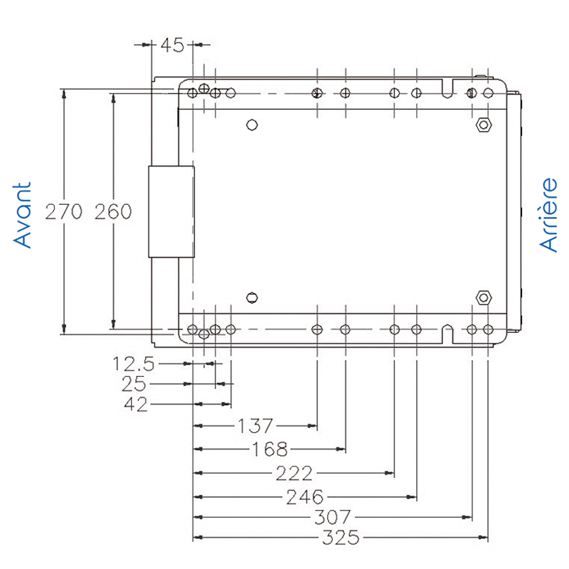
Pièces de rechanges sur demande (voir schéma).

















