Moteur essuie glace avec cône A8M6 en vrac / à l'unité
Description:
TM 81 - 100 KG - 12V - 80°
TM 81 -12V - 80°
Composé du moteur 742069 + pattes de fixation
Tension : 12V
Angle de balayage : 80°
Fixation du bras : cône A8xM6
Intensité : 2,5A max
Nb vitesse : 1
Interrupteur : Oui
Nb cycle /min : 45
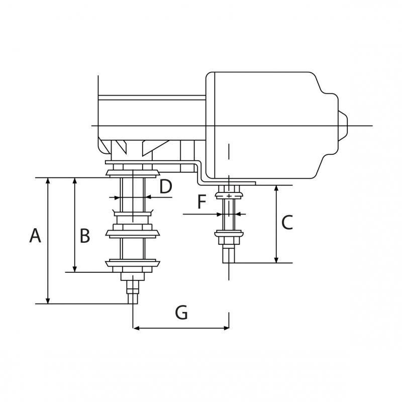
Dimensions :
A : 79mm
B : 58 mm
C : 55 mm
D : M12x1
F : M8
G : 50/57 mm
Longueur max bras + balais : 730mm
TM 81 - 100 KG - 12V - 80°
TM 81 -12V - 80°
Composé du moteur 742069 + pattes de fixation
Tension : 12V
Angle de balayage : 80°
Fixation du bras : cône A8xM6
Intensité : 2,5A max
Nb vitesse : 1
Interrupteur : Oui
Nb cycle /min : 45
Dimensions :
A : 79mm
B : 58 mm
C : 55 mm
D : M12x1
F : M8
G : 50/57 mm
Longueur max bras + balais : 730mm
















